Khởi động mềm là gì?
Khởi động mềm là một phương pháp được sử dụng để khởi động động cơ điện một cách nhẹ nhàng và từ từ hơn so với các phương pháp khởi động truyền thống. Thay vì cấp điện áp đột ngột vào động cơ, bộ khởi động mềm giúp giảm thiểu dòng điện khởi động và mômen xoắn, làm cho quá trình khởi động an toàn hơn và kéo dài tuổi thọ của động cơ và hệ thống.

Giới thiệu về khởi động mềm
Khởi động mềm là quá trình áp dụng dòng điện và điện áp từ từ vào động cơ điện, thường thông qua việc điều chỉnh thời gian dốc. Điều này cho phép dòng điện được cấp từ từ vào động cơ, giúp giảm mômen xoắn và dòng khởi động, và đồng thời kéo dài tuổi thọ của động cơ và toàn bộ hệ thống.
Lợi ích của khởi động mềm
- Bảo vệ động cơ điện khỏi các hư hỏng có thể xảy ra trong quá trình khởi động đột ngột.
- Kéo dài tuổi thọ của động cơ và hệ thống bằng cách giảm hiện tượng nóng và ứng suất cơ học.
- Giảm tải cao đối với hệ thống cung cấp điện, làm giảm chi phí và yêu cầu cao.
Phương pháp khởi động mềm khác nhau
Khởi động mềm có thể được thực hiện bằng nhiều phương pháp khác nhau, bao gồm sử dụng bộ khởi động mềm thông qua các nút khởi động hoặc dừng trực tiếp và điều khiển thông qua Internet. Cả hai phương pháp này đều có ưu điểm và nhược điểm riêng, tuy nhiên, cả hai đều giúp giảm thiểu hiệu ứng cơ và điện không mong muốn.
Ứng dụng của khởi động mềm trong công nghiệp
Khởi động mềm thường được sử dụng trong các ứng dụng công nghiệp có tải quán tính cao và yêu cầu dòng điện khởi động lớn. Ví dụ về các ứng dụng này bao gồm hệ thống xử lý mùi, hệ thống cấp nước và hệ thống băng tải. Sử dụng bộ khởi động mềm trong những ứng dụng này giúp tăng hiệu suất và độ bền của hệ thống.

Các phương pháp khởi động mềm
Trong công nghiệp, có nhiều phương pháp khởi động mềm khác nhau được sử dụng, bao gồm Jack Online và Outsourced Auto Transformers Prime. Các phương pháp này giúp giảm dòng điện khởi động và mômen xoắn, làm cho quá trình khởi động an toàn hơn và kéo dài tuổi thọ của động cơ và hệ thống.
Jack Online và Outsourced Auto Transformers Prime
Jack Online là một phương pháp khởi động mềm thông qua việc sử dụng bộ khởi động mềm trực tuyến. Jack Online giúp giảm dòng điện khởi động và mômen xoắn, đồng thời tăng bền vững cho động cơ và hệ thống. Outsourced Auto Transformers Prime là một phương pháp khởi động mềm sử dụng thiết bị điều chỉnh tự động để hạn chế dòng điện và mômen xoắn khi khởi động động cơ. Cả hai phương pháp này đều có ưu điểm và ứng dụng riêng của chúng.
Sử dụng thiết bị điện tử công suất Sarscape
Thiết bị điện tử công suất Sarscape cũng là một phương pháp khởi động mềm phổ biến trong công nghiệp. Sử dụng Sarscape giúp giảm dòng điện khởi động và mômen xoắn, tạo ra một quá trình khởi động nhẹ nhàng và bền vững cho động cơ và hệ thống.
Ưu điểm và ứng dụng của từng phương pháp
Cả Jack Online và Outsourced Auto Transformers Prime đều giúp giảm dòng điện khởi động và mômen xoắn, làm cho quá trình khởi động an toàn hơn và kéo dài tuổi thọ của động cơ và hệ thống. Jack Online thích hợp cho các ứng dụng công nghiệp có tải quán tính cao, trong khi Outsourced Auto Transformers Prime phù hợp cho các ứng dụng khác như hệ thống xử lý mùi và hệ thống cấp nước.
Sarscape cũng giúp giảm dòng điện khởi động và mômen xoắn, tạo ra một quá trình khởi động nhẹ nhàng và bền vững. Sử dụng Sarscape trong các ứng dụng công nghiệp như hệ thống cấp nước và hệ thống băng tải sẽ giúp tăng hiệu suất và độ bền của hệ thống.

Tính năng và chức năng của bộ khởi động mềm
Bộ khởi động mềm có tính năng và chức năng giúp hạn chế điện áp được cấp vào động cơ một cách từ từ. Bộ khởi động mềm bao gồm các thành phần như xoài Á và trụ. Thông qua việc điều chỉnh thời gian dốc, bộ khởi động mềm cho phép dòng điện được cấp từ từ vào động cơ, giảm mômen xoắn và dòng khởi động. Điều này làm cho quá trình khởi động mềm an toàn hơn và kéo dài tuổi thọ của động cơ và hệ thống.
Hạn chế dòng điện khởi động và mômen xoắn
Với vai trò quan trọng trong quá trình khởi động mềm, bộ khởi động mềm giúp hạn chế dòng điện khởi động và mômen xoắn, đem lại nhiều lợi ích cho hệ thống điện và động cơ điện.
Vai trò của bộ khởi động mềm trong hạn chế dòng khởi động
Bộ khởi động mềm làm giảm dòng điện khởi động bằng cách cấp điện áp từ từ vào động cơ điện. Thay vì cấp điện áp đột ngột, dòng điện được cấp từ từ giúp hạn chế dòng điện khởi động lớn có thể gây ra sự hư hỏng và tác động không mong muốn cho hệ thống điện.
Bảo vệ động cơ điện và kéo dài tuổi thọ
Khởi động mềm bảo vệ động cơ điện khỏi hư hỏng có thể xảy ra trong quá trình khởi động đột ngột. Bằng cách giảm mômen xoắn và dòng khởi động, bộ khởi động mềm làm giảm ứng suất cơ học và ứng suất điện trên dây cáp điện. Điều này giúp kéo dài tuổi thọ của động cơ và hệ thống điện.
Giảm ứng suất cơ học và ứng suất điện trên dây cáp điện
Quá trình khởi động mềm giúp giảm ứng suất cơ học và ứng suất điện trên dây cáp điện. Khi dòng điện khởi động lớn, có thể tạo ra tải cao đối với hệ thống cung cấp điện, gây ra tổn thất năng lượng và tăng chi phí vận hành. Bằng cách hạn chế dòng điện khởi động, bộ khởi động mềm giúp giảm ứng suất cơ học và ứng suất điện trên dây cáp điện, từ đó làm giảm ảnh hưởng đến hệ thống cung cấp điện và giảm chi phí vận hành.

Chi phí và yêu cầu cao trong hệ thống cung cấp điện
Việc sử dụng bộ khởi động mềm trong quá trình khởi động mềm đòi hỏi chi phí và yêu cầu cao trong hệ thống cung cấp điện. Tuy nhiên, những chi phí này đáng đồng tiền bát gạo bởi những lợi ích mà bộ khởi động mềm mang lại, bao gồm bảo vệ động cơ điện, kéo dài tuổi thọ và giảm ứng suất cơ học và ứng suất điện trên dây cáp điện.
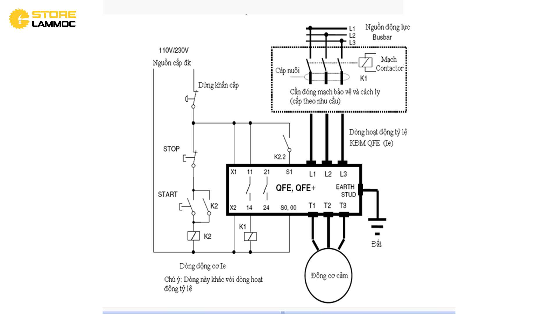
Điều khiển bộ khởi động mềm
Như đã đề cập trong phần trước, khởi động mềm có thể được thực hiện bằng nhiều phương pháp khác nhau. Trong phần này, chúng ta sẽ tìm hiểu về phương pháp điều khiển bộ khởi động mềm và khả năng kiểm soát và giám sát hệ thống.
Nối dây khởi động hoặc dừng trực tiếp
Một trong những phương pháp điều khiển bộ khởi động mềm là thông qua việc nối dây khởi động hoặc dừng trực tiếp. Điều này có nghĩa là người dùng có thể điều khiển bộ khởi động mềm thông qua nút khởi động hoặc dừng trên bảng điều khiển. Phương pháp này đơn giản và dễ sử dụng, tuy nhiên, nó không cung cấp khả năng kiểm soát và giám sát từ xa.
Điều khiển bằng Internet
Phương pháp khác để điều khiển bộ khởi động mềm là thông qua Internet. Điều này cho phép người dùng điều khiển và giám sát hệ thống từ bất kỳ đâu trên thế giới, miễn là có kết nối Internet. Người dùng có thể sử dụng các thiết bị như điện thoại thông minh hoặc máy tính để điều khiển và giám sát hệ thống. Phương pháp này mang lại sự tiện lợi và linh hoạt, đồng thời cung cấp khả năng kiểm soát và giám sát toàn diện của hệ thống.
Ưu điểm và nhược điểm của cả hai phương pháp
Phương pháp nối dây khởi động hoặc dừng trực tiếp đơn giản và dễ thực hiện, không yêu cầu kết nối Internet và không cần sử dụng các thiết bị điện tử phức tạp. Tuy nhiên, phương pháp này không cung cấp khả năng kiểm soát và giám sát từ xa.
Phương pháp điều khiển bằng Internet mang lại sự tiện lợi và linh hoạt, cho phép người dùng điều khiển và giám sát hệ thống từ xa. Tuy nhiên, phương pháp này yêu cầu kết nối Internet ổn định và sử dụng các thiết bị điện tử phức tạp, điều này có thể tăng chi phí và đòi hỏi kiến thức kỹ thuật để cài đặt và vận hành.

Khả năng kiểm soát và giám sát hệ thống
Việc sử dụng bộ khởi động mềm cho phép người dùng có khả năng kiểm soát và giám sát hệ thống một cách linh hoạt. Người dùng có thể điều chỉnh các thông số và thiết lập của bộ khởi động mềm để đáp ứng yêu cầu cụ thể của hệ thống. Đồng thời, người dùng có thể giám sát các chỉ số hiệu suất và trạng thái hoạt động của hệ thống để đảm bảo hoạt động ổn định và hiệu quả.
Hoạt động bên trong của bộ khởi động mềm
Trong phần này, chúng ta sẽ tìm hiểu về hoạt động bên trong của bộ khởi động mềm và các thành phần chính của nó.
Thành phần chính của khởi động mềm
Bộ khởi động mềm bao gồm các thành phần như xoài Á và trụ. Xoài Á được thiết kế để hạn chế điện áp được cấp vào động cơ một cách từ từ. Khi một xung được áp dụng vào xoài Á, nó cho phép dòng điện chạy qua. Sau đó, dòng điện được gửi ra động cơ của chúng ta. Thông qua việc điều chỉnh thời gian dốc, bộ khởi động mềm cho phép dòng điện được cấp từ từ vào động cơ, giảm mômen xoắn và dòng khởi động. Điều này làm cho quá trình khởi động mềm an toàn hơn và kéo dài tuổi thọ của động cơ và hệ thống.
Hạn chế điện áp động cơ
Một trong những chức năng chính của bộ khởi động mềm là hạn chế điện áp động cơ. Thay vì cấp điện áp đột ngột vào động cơ, bộ khởi động mềm giúp điều chỉnh điện áp từ từ vào động cơ. Điều này giúp hạn chế dòng điện khởi động lớn có thể gây ra sự hư hỏng và tác động không mong muốn cho hệ thống điện.
Cung cấp dòng điện từ từ
Bộ khởi động mềm cung cấp dòng điện từ từ vào động cơ. Thay vì dòng điện đột ngột, dòng điện được cấp từ từ giúp giảm mômen xoắn và dòng khởi động. Điều này làm cho quá trình khởi động an toàn hơn và kéo dài tuổi thọ của động cơ và hệ thống.

Tác động vào mômen xoắn và dòng khởi động
Bằng cách hạn chế điện áp và cung cấp dòng điện từ từ, bộ khởi động mềm giúp giảm mômen xoắn và dòng khởi động của động cơ. Điều này làm cho quá trình khởi động mềm an toàn hơn và kéo dài tuổi thọ của động cơ và hệ thống.
So sánh khởi động mềm và khởi động cứng
Sự khởi động mềm và khởi động cứng là hai phương pháp khác nhau để khởi động động cơ điện trong các ứng dụng công nghiệp. Dưới đây là một số điểm khác biệt giữa hai phương pháp này:
Sự khác biệt về thời gian và điện áp
Khởi động mềm mất nhiều thời gian hơn để đạt đến điện áp đầy đủ so với khởi động cứng. Điều này là do điện áp được cấp từ từ vào động cơ trong quá trình khởi động mềm, trong khi khởi động cứng cấp điện áp đột ngột.
Ảnh hưởng đến quá trình đạt tốc độ tối đa
Khởi động mềm làm cho quá trình đạt tốc độ tối đa chậm hơn so với khởi động cứng. Điều này là do mômen xoắn và dòng điện khởi động được giảm bởi khởi động mềm, trong khi khởi động cứng không giảm mômen xoắn và dòng điện.
Kiểm soát và mức độ điều chỉnh
Khởi động mềm cho phép người dùng kiểm soát và điều chỉnh quá trình khởi động một cách linh hoạt. Người dùng có thể điều chỉnh thời gian dốc và các thông số khác của bộ khởi động mềm để đáp ứng yêu cầu cụ thể của hệ thống. Trong khi đó, khởi động cứng không cung cấp cùng mức độ điều chỉnh và kiểm soát như khởi động mềm.
Hiệu ứng cơ và điện không mong muốn
Khởi động mềm giúp giảm hiệu ứng cơ và điện không mong muốn trong quá trình khởi động. Bằng cách hạn chế điện áp và cung cấp dòng điện từ từ, khởi động mềm giảm mômen xoắn và dòng khởi động, ngăn chặn các hiệu ứng cơ và điện không mong muốn. Trong khi đó, khởi động cứng không giảm hiệu ứng cơ và điện không mong muốn.

Các ứng dụng của khởi động mềm
Khởi động mềm có nhiều ứng dụng trong công nghiệp, giúp tăng hiệu suất và độ bền của hệ thống. Dưới đây là một số ứng dụng phổ biến của khởi động mềm:
Máy xử lý mùi trong công nghiệp
Khởi động mềm thường được sử dụng trong hệ thống xử lý mùi trong công nghiệp. Máy xử lý mùi thường cần động cơ có tải quán tính cao và yêu cầu dòng điện khởi động lớn. Sử dụng bộ khởi động mềm giúp hạn chế dòng điện khởi động và mômen xoắn, làm cho quá trình khởi động an toàn hơn và kéo dài tuổi thọ của động cơ.
Hệ thống cấp nước
Trong hệ thống cấp nước, khởi động mềm cũng có ứng dụng quan trọng. Khi khởi động động cơ bơm nước, cần hạn chế áp suất tăng đột ngột trong hệ thống để tránh gây hư hỏng và tình trạng nguy hiểm. Sử dụng bộ khởi động mềm giúp điều chỉnh điện áp từ từ vào động cơ, làm giảm dòng điện khởi động lớn và bảo vệ hệ thống cấp nước.
Hệ thống băng tải
Trong các hệ thống băng tải, khởi động mềm cũng được sử dụng để tối ưu hóa hiệu suất và độ bền của hệ thống. Hệ thống băng tải thường gặp phải tải nặng và yêu cầu dòng điện khởi động lớn. Bằng cách giảm mômen xoắn và dòng điện khởi động, bộ khởi động mềm giúp hạn chế hiệu ứng cơ và điện không mong muốn, từ đó tăng hiệu suất và độ bền cho hệ thống băng tải.
Tác động lên các bộ phận dẫn động và khớp nối
Khởi động mềm cũng có tác động lên các bộ phận dẫn động và khớp nối trong các hệ thống công nghiệp. Khi khởi động mềm được sử dụng, mômen xoắn và dòng điện khởi động được giảm, giúp giảm tải và tác động không mong muốn lên các bộ phận dẫn động và khớp nối. Điều này giúp kéo dài tuổi thọ của các bộ phận và đảm bảo hoạt động ổn định của hệ thống.
FAQ
Tại sao cần sử dụng khởi động mềm trong công nghiệp?
Khởi động mềm giúp giảm dòng điện khởi động và mômen xoắn, làm cho quá trình khởi động an toàn hơn và kéo dài tuổi thọ của động cơ và hệ thống.
Cách điều khiển và lắp đặt bộ khởi động mềm?
Bộ khởi động mềm có thể được điều khiển bằng cách nối dây khởi động hoặc dừng trực tiếp hoặc thông qua Internet. Việc lắp đặt bộ khởi động mềm thường đòi hỏi kiến thức kỹ thuật và theo dõi hướng dẫn của nhà sản xuất.
Lợi ích và giá trị của việc sử dụng bộ khởi động mềm?
Với việc giảm dòng điện khởi động và mômen xoắn, bộ khởi động mềm bảo vệ động cơ điện khỏi hư hỏng và kéo dài tuổi thọ của động cơ và hệ thống. Việc sử dụng bộ khởi động mềm cũng giảm tải cao đối với hệ thống cung cấp điện, làm giảm chi phí và yêu cầu cao.
Có những rủi ro và hạn chế nào khi sử dụng khởi động mềm?
Việc sử dụng khởi động mềm có thể tăng chi phí và đòi hỏi kiến thức kỹ thuật để cài đặt và vận hành. Tuy nhiên, những rủi ro này đáng đồng tiền bát gạo bởi những lợi ích mà bộ khởi động mềm mang lại, bao gồm bảo vệ động cơ điện, kéo dài tuổi thọ và giảm ứng suất cơ học và ứng suất điện trên dây cáp điện.
Các ứng dụng phổ biến của khởi động mềm trong công nghiệp?
Khởi động mềm thường được sử dụng trong các ứng dụng công nghiệp có tải quán tính cao và yêu cầu dòng điện khởi động lớn. Ví dụ về các ứng dụng này bao gồm hệ thống xử lý mùi, hệ thống cấp nước và hệ thống băng tải. Sử dụng bộ khởi động mềm trong những ứng dụng này giúp tăng hiệu suất và độ bền của hệ thống.
Viết bình luận
Bình luận
Hiện tại bài viết này chưa có bình luận.